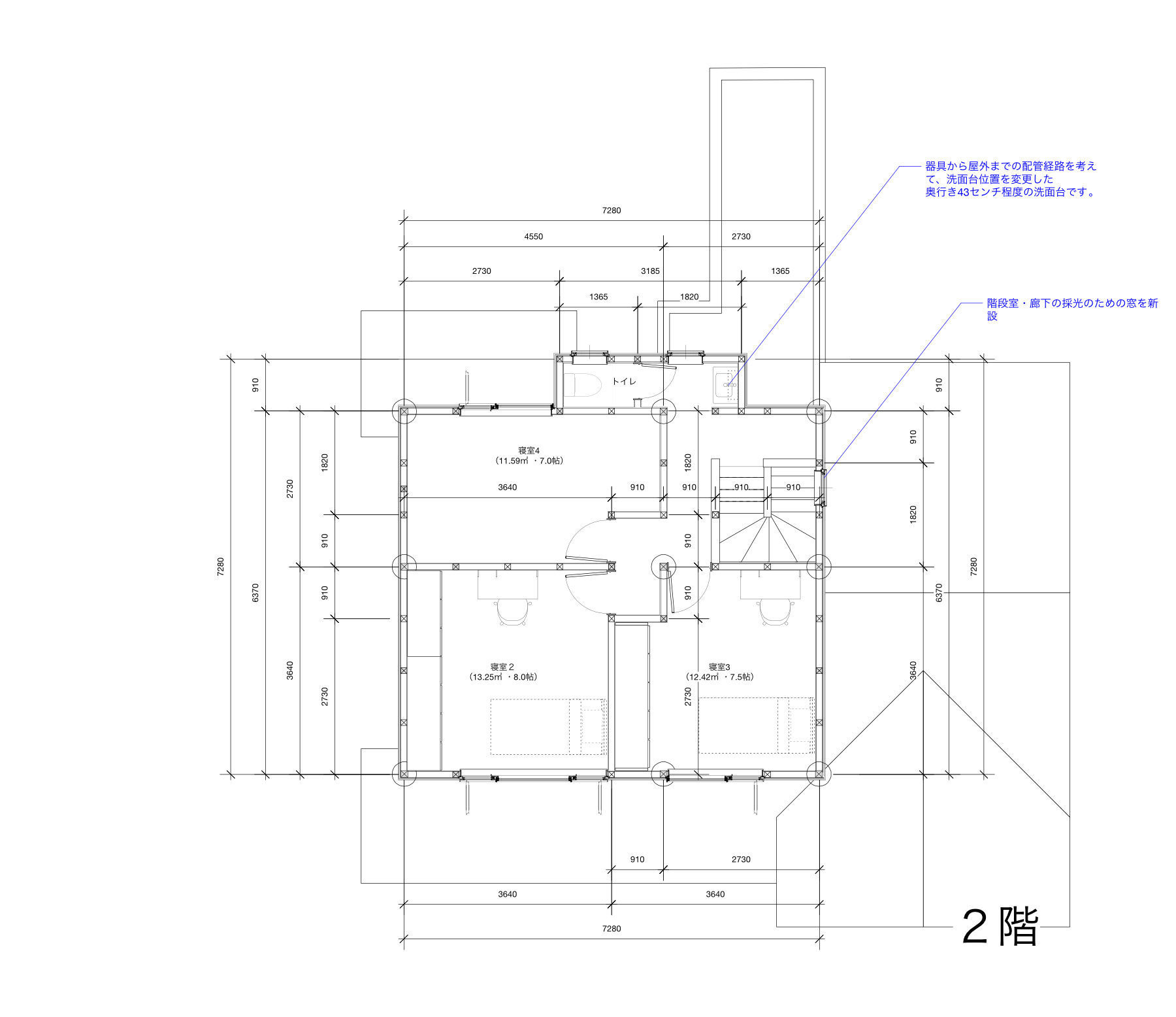
21_251128.jpg 北東外観 23_251128.jpg サンルーム 24_251128.jpg サンルーム 25_251128.jpg サンルーム内部 26_251128.jpg リビングからサンルーム 06_251128.jpg LDK 07_251128.jpg LDK 07.jpg LDK 08.jpg キッチン 09.jpg LDK 10.jpg 主寝室 11.jpg 主寝室 12.jpg 主寝室クローゼット 03.jpg 1階廊下 20_251128.jpg 北西外観 02.jpg 1階廊下 04.jpg ランドリールーム kizonfloorplan_2f.jpg 現況2階平面図 floorplan_2f.jpg 2階平面図 13.jpg 2階廊下 14.jpg 寝室2 15.jpg 寝室3 16.jpg 寝室4 17_251128.jpg 東外観 kizonfloorplan_1f.jpg 現況1階平面図 img20251128181253914272.jpg 1階平面図
19.jpg 南西外観 18_251128.jpg 南東外観

ホームへ戻る

1958年創業
「木の家」は木の家株式会社の登録商標です 
Copyright 2026 Kinoie Inc. All Rights Reserved.